Epson SCARA Robot
In my senior year of high school, during Covid lockdowns, I acquired an old Epson SCARA system. I used it as part of a self-directed project to learn more about robotics and automation systems.
First and Second versions of the end effector. The first version gripped the LEGO bricks by the outside, which prevented placing them next to each other in some orientations The second version grips the bricks by the studs, allowing bricks to be placed directly next to each other. The second version also included a break-away section to reduce the impact of a crash.
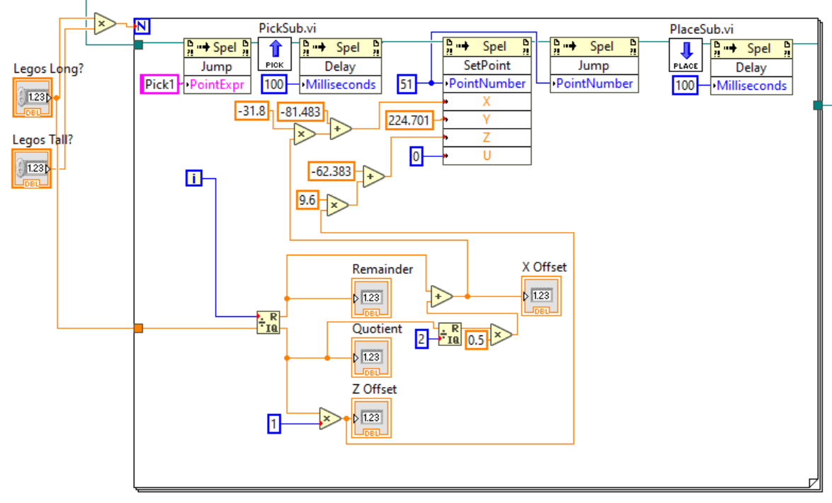
A significant portion of the system was programmed in LabVIEW. Above is a program that builds a wall of a user-specified length and height, while offsetting every other layer to increase strength.
First layer of a wall being built. Later versions could pick up bricks from a grid-like staging structure
 
            
              
            
            
          
               
            
              
            
            
          
              